Precast Design and Detailing Services

We are one of the leading firms providing precast design and detailing services to clients in Europe, Canada, USA and Asia. Our highly experienced detailing team is trained on Eurocodes, American Standards, Canadian codes and British Standards of precast/prestressed design and detailing. From the initial design concept right through to the production, we have worked on different types of precast building projects such as Residential, Commercial Buildings, Warehouses, Parking Lots, Industrial Buildings, Mix-use Structures and Specialty structures which are partially or fully made of precast concrete building components.
At ICE, our team of experienced structural engineers are adept in performing structural analysis to calculate the stability, strength, and rigidity of the building structure. Through our understanding of impact of vertical and lateral loads on the structure, we help our clients significantly minimize the possibility of costly failures.
Software expertise
Precast Design and Detailing Services TEKLA AUTODESK REVIT STAADPRO AUTODESK AUTOCAD ETABS
ICE specializes in the following precast services:

Structural analysis & Design

  • Load Calculations and development of FEM model
  • Global analysis and Design of CIS & Precast Elements
  • Structural design for fire safety
  • Precast connections design
  • Peer review and value engineering
GA, Shop Drawings & BOQ
  • Layouts, Framing Plans & Elevations
  • Foundation and Anchor Bolt Plan
  • Element Workshop Drawings
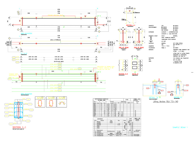
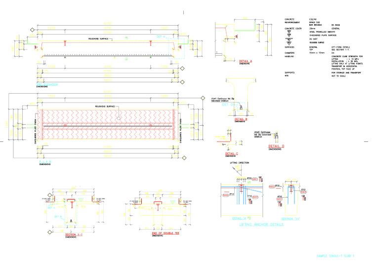
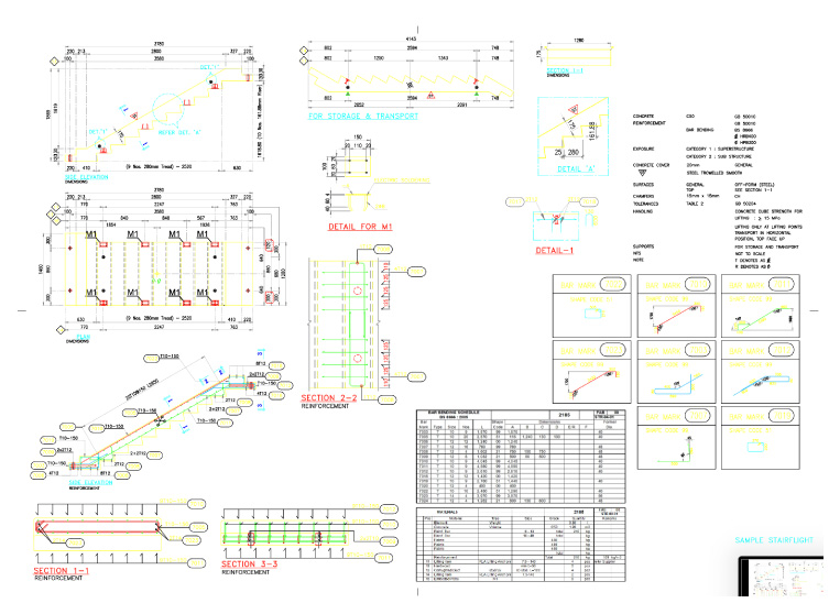
  • Elements such as sandwich walls, solid walls, Double Walls, solid slabs and beams, Balcony slabs, Hollow core slabs, Double T slabs, and Form/Filigree, Inverted T or Ledge beams/girders, stair flights and landing slabs
  • Prefabricated Prefinished Volumetric Construction (PPVC)
Construction Documentation
  • List of drawings, mentioning revision log
  • List of cast in materials (embedment)
  • List of erection materials (connection plates, etc)
  • Full Project Erection Simulation
Loading...